
Verzinktes Sicherungsblech mit 2 Lappen zur Sicherung von Schrauben und Muttern.
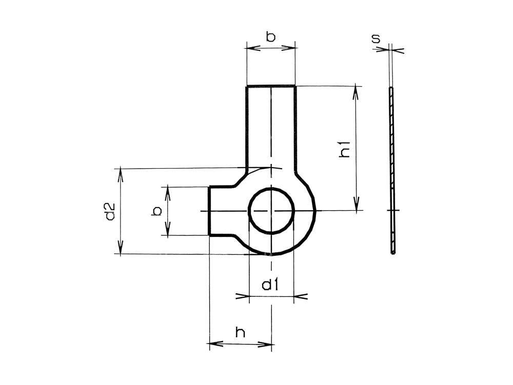
Entnehme die folgenden Masse auf Abbildung 2:
| Material | Stahl |
| Oberfläche | verzinkt (blau) |
| Ø aussen | 10 mm |
| Gesamtlänge | 8 mm |
| Anzahl Lappen | 2 Stk. |
| Ø innen | 5.3 mm |
| Gewindegrösse | M5 |
| Dicke | 0.5 mm |
| Breite | 6 mm |
| Länge 2 | 16 mm |
| Breite 2 | 6 mm |
Entdecke Kategorien aus Schrauben & Verbindungselemente Sets
Mofa-Fans kauften auch

